产品展示

您当前的位置: 首页 > 产品展示 > HMB9J

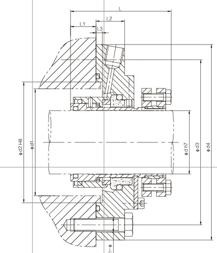
HMB9J

x1.jpg

型号说明:

n       HMB9J型为波形弹簧集装式结构,是在国外品牌产品HJ92型基础上加上连接法兰与轴套而成

 

结构特性:

n       单端面集装式机械密封

n       平衡型

n       任意旋向

n       旋转环补偿

n       波形弹簧,弹簧与介质隔离

参数范围:

n       压  力:0~2.5MPa

n       温  度:-40~150℃

n       线速度:≤10(20)m/s

n       轴向允许窜动量为:±0.3mm

 

应用工况:

适用于含固体颗粒和高粘度介质,主要应用于一般化工流程、石油化工、制药、食品、农药、污水处理等行业的泵中。

  • 浙江沃曼

  • 服务全球流体工业