产品展示

您当前的位置: 首页 > 产品展示 > HM74-SG

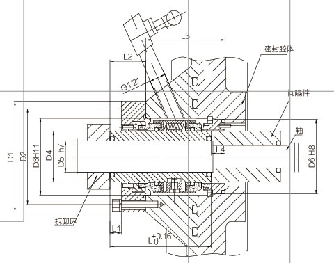
HM74-SG

x1.jpg

型号说明:

n       HM74D-SG型为散装双端面

n       需要高压冲洗水来保证机械密封的使用稳定性

 

结构特性:

n       散装式双端面机械密封

n       非平衡型

n       旋转环补偿

n       弹簧与介质隔离

n       无关轴的旋向

 

参数范围:

n       压  力:0~1.0MPa

n       温  度:-20~120℃

n       线速度:≤10m/s

n       含固量≤25%

 

应用工况:

应用于燃煤发电厂(FGD)烟气脱硫装置中的石膏浆液泵、石灰石浆液泵、石灰浆液排出泵等

  • 浙江沃曼

  • 服务全球流体工业