
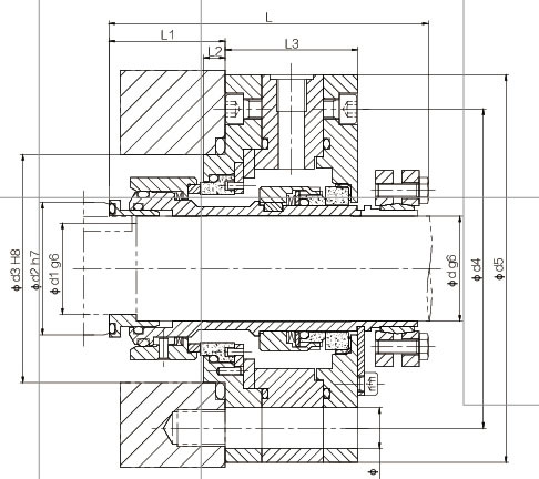
型号说明:
n HA5001-D型为介质端平衡型双端面,非双向承压结构设置
n HA5001K-D型为介质端平衡型双端面,双向承压结构设置
结构特性:
n 双端面集装式机械密封
n 双向承压、平衡型
n 旋转环补偿
n 弹簧与介质隔离
n 连接法兰由外安装
参数范围:
n 压 力:0~1.6MPa
n 温 度:-20~120℃
n 线速度:≤12m/s
n 含固量≤40%
n 轴向允许窜动量为:±0.2mm
n 轴径:30~150mm
应用工况:
主要应用盐业、氧化铝、烟气脱硫、磷复肥、纸浆和造纸、冶金等行业有结晶、渣浆的工况中。也适用于水、油、酸、碱等介质。