
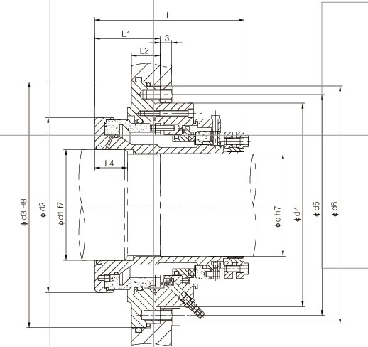
结构特性:
n 双端面集装式机械密封
n 双向承压、平衡型
n 弹簧外置、静止环补偿
n 连接法兰由内安装
参数范围:
n 压 力:0~1.6MPa
n 温 度:-20~180℃
n 线速度:≤12m/s
n 含固量≤40%
n 轴向允许窜动量为:±0.3mm
n 轴径:30~230mm
应用工况:
为襄阳五二五泵业有限公司、石家庄工业泵厂有限公司、石家庄强大泵业集团等厂家生产的浆液循环泵的配套产品。主要应用于一般化工流程、烟气脱硫、磷复肥、氧化铝、盐业、纸浆和造纸、冶金等行业,也适用于水、油、酸、碱等含颗粒或结晶性介质;