
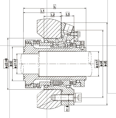
型号说明:
n HA4104-D(C)型为单轴套安装结构,型号中“C”表示半集装式机械密封。
结构特性:
n 双端面半集装式机械密封
n 平衡型
n 允许较大轴向安装误差(但当L1±3mm以上时订货时需加以说明)
n 弹簧外置、静止环补偿
参数范围:
n 压 力:0~1.6MPa
n 温 度:-20~150℃
n 线速度:≤10m/s
n 含固量≤40%
n 轴向安装自动调节量为:±3mm
n 轴径:30~150mm
润滑与冷却
n 由介质和外部缓冲液/隔离液润滑与冷却
n 缓冲液/隔离液压力适用范围大,一般采用0~3 bar
应用工况:
主要应用于洗煤、氧化铝、盐业、矿山、纸浆和造纸、冶金等行业的含颗粒或结晶性介质中。也可用于水、油、酸、碱等介质。
浙江沃曼

服务全球流体工业