
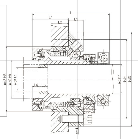
型号说明:
n HA4104-D型为介质、大气端平衡型双端面,非双向承压结构设置
n HA4104K-D型为介质、大气端平衡型双端面,双向承压结构设置
结构特性:
n 双端面集装式机械密封
n 双向承压、平衡型
n 弹簧外置、静止环补偿
参数范围:
n 压 力:0~1.6MPa
n 温 度:-20~180℃
n 线速度:≤12m/s
n 含固量≤40%
n 轴向允许窜动量为:±0.3mm
n 轴径:30~120mm
润滑与冷却
n 由介质或外部缓冲液/隔离液润滑与冷却。
n 缓冲液/隔离液压力适用范围大,一般采用0.1~0.3MPa
应用工况:
主要应用于洗煤、氧化铝、盐业、矿山、纸浆和造纸、冶金等行业的含颗粒或结晶性介质中。也可用于水、油、酸、碱等介质。
浙江沃曼

服务全球流体工业