
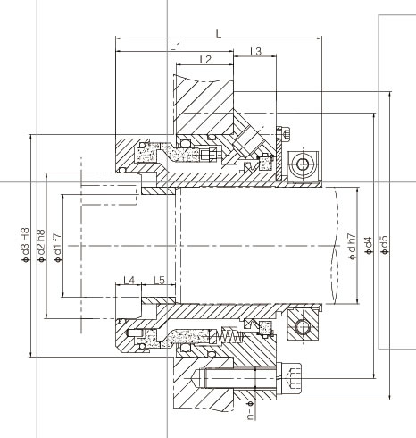
型号说明:
n HA4104型为带防外冲洗液泄漏的简易密封结构
结构特性:
n 单端面集装式机械密封
n 平衡型
n 弹簧外置、静止环补偿
n 连接法兰由外安装
n 大气侧带防外冲洗液泄漏的A型简易密封
参数范围:
n 压 力:0~1.6MPa
n 温 度:-20~120℃
n 线速度:≤10m/s
n 含固量≤18%
n 轴向允许窜动量为:±0.3mm
n 轴径:30~120mm
润滑与冷却
n 由介质或冲洗液润滑与冷却
n 冲洗液压力≤0.05MPa
应用工况:
适用于水、油、酸、碱等含颗粒或结晶性介质;主要应用于一般化工流程、烟气脱硫、磷复肥、氧化铝、盐业、纸浆和造纸、冶金等行业的泵中。