产品展示

您当前的位置: 首页 > 产品展示 > LT212

LT212

x1.jpg

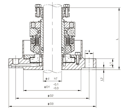
结构特点:

Ø       聚四氟乙烯波纹管、单端面

Ø       无关轴的旋向

Ø       能适应有较大的径向跳动的搅拌轴

Ø       带收集套设置,可定期冲洗,冲洗收集套建议在清洁罐体前进行

 

参数范围:

Ø       压  力:真空~0.4MPa

Ø       温  度:-20~120℃

Ø       线速度:≤3m/s

Ø       含固量:≤5%高分子悬浮颗粒

应用工况:

主要用在要求尽量避免污染釜内介质的卫生级反应釜上,也可用于有类似要求的化工、制药、农药、水处理等行业的其他反应釜中。

x2.jpg

  • 浙江沃曼

  • 服务全球流体工业