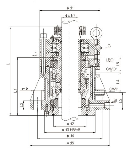
AH2033B AH2063B型机械密封 Type AH2033B AH2063B Mechanical seal
符合标准:HG/T2098-2011等

型号说明:
Ø AH2033型为有夹套冷却的高压釜(搅拌器)用机械密封
Ø AH2063型为在AH2033型基础上再加法兰冷却的机械密封,其使用温度高于AH2033型
Ø 型号后带B的有轴承设置
Ø 结构特点:
Ø 双端面集装式
Ø 任意旋向
Ø 改进型设计可用于卫生级要求的制药、食品行业
Ø 可按用户要求的安装尺寸提供相应的设计
参数范围:
压 力:0~6.3MPa 温 度:-40~250℃
线 速 度:≤3m/s 轴 径:30~200mm
行业:
主要应用于化工、冶炼、农药、石化等行业的高压反应釜中。

浙江沃曼

服务全球流体工业