AM2033B AM2063B型机械密封 Type AM2033B AM2063B Mechanical seal
符合标准:HG5-754-78、HG/T2098-91、HG/T2098-2011等

型号说明:
Ø AM2033型为夹套冷却设置的中低压型釜(搅拌器)用机械密封
Ø AM2063型是在AM2033型基础上再加上法兰冷却的中低压型釜(搅拌器)用机械密封,其使用温度高于AM2033型
Ø 型号后B为带轴承设计, 型号后F为干运转设计
Ø AM2033B型是标准207(HG5-754-78)升级换代型
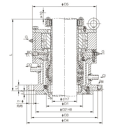
结构特点:
Ø 双端面集装式
Ø 任意旋向
Ø 改进型设计可用于卫生级要求的制药、食品行业
Ø 可按用户要求的安装尺寸提供相应的设计
参数范围:
压 力:真空~2.5(4.0) MPa
温 度:-40~250℃
线 速 度:≤3m/s
行业:
适用于水、油、酸、碱、有机溶剂、少量悬浮颗粒及结晶、易燃、易爆、有毒性介质,主要应用于化工、冶炼、制药、食品、农药等行业的反应釜中。

浙江沃曼

服务全球流体工业