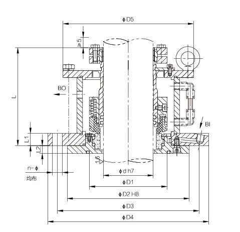
A1003型 机械密封 Type A1003 Mechanical seal
符合标准:HG5-754-78、DIN28138等

型号说明:
A1003型为无轴承,A1003B型为带有轴承。
结构特点:
Ø 单端面集装式
Ø 任意旋向
Ø 可做成卫生级用于制药行业
Ø 可按用户要求的安装尺寸另行设计
参数范围:
压 力:真空~0.6MPa
温 度:-20~120℃ (≥80℃时密封盒内液体需流动降低热量)
线 速 度:≤3m/s
行业:
用于物料为水、油、一般腐蚀性介质的反应釜中。
符合HG5-754-78标准连接尺寸表:
