产品展示

您当前的位置: 首页 > 产品展示 > A1302

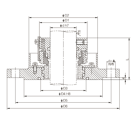
A1302

结构特点:

Ø  单端面散装式

Ø  任意旋向

Ø  组合式安装,简单方便

Ø  如要求可提供其他尺寸设计

Ø  A1302型是标准204HG5-754-78)升级换代型

 

参数范围:

压 力:真空~0.6MPa     温  度:-20150℃     

线 速 度:≤3m/s         轴  径:30200mm

应用行业:

适用于水、油、酸、碱、少量悬浮颗粒及结晶介质,主要应用于化工、制药、农药等行业的反应釜中。

x1.jpg

符合HG5-754-78标准连接尺寸表:

x2.jpgx3.jpg

  • 浙江沃曼

  • 服务全球流体工业