产品展示

您当前的位置: 首页 > 产品展示 > HMJBQ

HMJBQ

x1.jpg

型号说明:

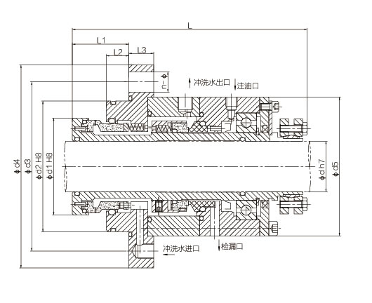
HMJBQ型为侧、卧式搅拌器的双端面集装式机械密封,机械密封设置轴承。

结构特点:

n  单端面集装式

n  任意旋向

n  设置有承载径向力轴承

n  静止环补偿、弹簧外置

n  设置冲洗液接口

n  独特的结构适用于含固体悬浮颗粒的工况

参数范围:

n  压  力:01.0MPa

n  温  度:-20120℃     

n  线 速 度:≤2m/s

n  轴  径:30~200mm

应用行业:

主要应用于烟气脱硫装置中、其他含磨蚀性悬浮固体颗粒介质或易结晶溶液介质的侧、卧式搅拌器上也可应用。

  • 浙江沃曼

  • 服务全球流体工业